Quick question please help

 

New member
Username: Lazykid24

Post Number: 1
Registered: Nov-07
hey guys, im kinda new to car aduio. i wanted to know how to hook up two amps in my car. one 4 channel for my front and back speakers and one mono block for my sub. i know a distribution block is required but will i need to run another line of remote wire and ground wire for the second amp? and if so how do i do this. can someone please help me. thank you. and if this is the wrong section to post this in i am sorry
 

Gold Member
Username: Van_man

Boston South, MA

Post Number: 3060
Registered: Mar-06
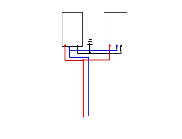
run 1 power wire to a d-block, then to both amps. (if you use ring terminals or are able to get two power wires into amp 1's power terminal, you may just jump to amp 2 from there) Run both grounds to chassis, but try to use 1 ground spot. keeping the grounds as short as possible. run the rem out of amp 1, into amp 2. And amp section is for amp questions.

Upload
 

New member
Username: Lazykid24

Post Number: 2
Registered: Nov-07
would i need to put more remote wire in amp 2? and how would i do that? also what is a chassis? lol sorry for the dumb questions. thanx for the help. what wires are those colors supposed to stand for?
 

Gold Member
Username: Nd4spd18

Northwest PA

Post Number: 3854
Registered: Jul-06
chassis = the frame if your car has one, or anywhere on the metal body if your car is unibody




red = power

blue = remote

black = ground
 

New member
Username: Lazykid24

Post Number: 3
Registered: Nov-07
could i just get a distrobution block for the ground wires to or do i just get more ground wire hook it to the same place the other ground wire is and hook it to the second amp, or can i put the ground wire on the other side of the car in a totally different spot lol which way works? thanks M.S
 

New member
Username: Lazykid24

Post Number: 4
Registered: Nov-07
sorry for being a NOOOB. lol this sh!t just really confuses me
 

New member
Username: Lazykid24

Post Number: 6
Registered: Nov-07
anyone?
 

New member
Username: Lazykid24

Post Number: 8
Registered: Nov-07
pleaseee :-) pretty please lol???
 

Gold Member
Username: Nd4spd18

Northwest PA

Post Number: 3857
Registered: Jul-06
First you have to know if the car unibody or full frame. With unibody you can ground to anywhere on the metal body. Otherwise you have to ground to the frame which usually means drilling a hole though the floor.




" could i just get a distrobution block for the ground wires to or do i just get more ground wire hook it to the same place the other ground wire is and hook it to the second amp, or can i put the ground wire on the other side of the car in a totally different spot lol which way works? "

Any of those methods will work.
 

New member
Username: Lazykid24

Post Number: 9
Registered: Nov-07
pretty sure my car is a unibody... ok thanx alot M.S u helped me out alot. im just gonna get a distrobutiob block for the ground wiring... thanx again man i appreciate it
« Previous Thread Next Thread »



Main Forums

Today's Posts

Forum Help

Follow Us