Bridging

 

New member
Username: Drew_lavallee

North kingstown, Rhode island Usa

Post Number: 1
Registered: Nov-06
hey, i have a p2502 RF amp powering one sub. i am swapping out the sub for a new one and want to also add two more 6.5's onto the amp but i do not know how to do so. i have read about "series" wireing but i don't know how to go about doings any of this, if anyone can help me out here i would appriciate it very much so

thank you,
drew
 

Gold Member
Username: Tjmutlow

Post Number: 3194
Registered: Sep-05
thst amp only puts out 250watss, leave the 6.5s off and get a single 4 ohm sub and run bridged.
 

New member
Username: Drew_lavallee

North kingstown, Rhode island Usa

Post Number: 2
Registered: Nov-06
then where do i wire the 6.5's and to what do i wire them to???
 

Platinum Member
Username: Chaunb3400

Huntsville, Alabama U.S.

Post Number: 10163
Registered: Jul-05
get another amp for those
 

New member
Username: Drew_lavallee

North kingstown, Rhode island Usa

Post Number: 3
Registered: Nov-06
how would i wire the other amp.... i have two other amps already so i don't see why i can't do this mentally... its just the physical aspect of it if you know what i mean. if you have and input , please share, thank you.
 

Gold Member
Username: Van_man

Boston South, MA

Post Number: 1249
Registered: Mar-06
Wire it like any other amp. Run a large wire to where the amps live. use a Dist. block to feed each one power. Ground all of em together, may need another dist block. Run a rem to em, Should use a relay with multi amp set ups. Then just run your speaker and sub wires from each amp.
 

Gold Member
Username: Dustin3

Tigard, OR U.S.

Post Number: 4161
Registered: Oct-05
bsaically, just get a 1 awg power wire.. run it from the battery to a distribution block, then out of that, it splits into 3 4 awg power wires goin to rach of your amps.

then, either take the ground of each of those amps and run then to a distribution block, so ground a wire, then put a distro on that groun wire, then out of that disro is 3 grounds for the 3 diff amps... or you can just ground the amps in each a diff place, because i dont like grounding them in one place.

then, run the REM wire from all 3 amps together, into the remote behind the HU

and like marc said, i would use a relay/switch for your amps. which is fairly easy to do, you can use the switch for all the amps, or just 3 switches, one for each amp

bsaiclly just expanding on what marc said
 

Silver Member
Username: Johammbass

IRL

Post Number: 638
Registered: May-06
marc,
"Run a large wire to where the amps live"
LMFAO:-)
You are the best (after Muddy):-)
 

New member
Username: Drew_lavallee

North kingstown, Rhode island Usa

Post Number: 4
Registered: Nov-06
i have my current amp running off my battery and as far as i know it is going straight to my amp... i don't have any clue as to what a dist. block is and what not. i looked at my P2502 and it has a pass-thru... which im guessing allows me to run another amp without bringing it back to the head unit. so can i just add a power wire from the battery to the new amp, then add another grounding wire to where the existing ground wireing is? or would that take away from the power? does anyone have or know about pictures relating to the install?

please help me out

-drew
 

Gold Member
Username: Tjmutlow

Post Number: 3201
Registered: Sep-05
run 1 main wire, like 0-4 guage to this:http://cgi.ebay.com/Stinger-0-4-8-Gauge-Distribution-Block-SDB01448L_W0QQitemZ17 0047826378QQihZ007QQcategoryZ50550QQrdZ1QQcmdZViewItem then run wires from that to the amps, i would run short seperatre grounds to each amp and just splice another wire to the remote wire. if the amp has a pass through, you can run rcas from that to the other amp.
 

Gold Member
Username: Van_man

Boston South, MA

Post Number: 1251
Registered: Mar-06
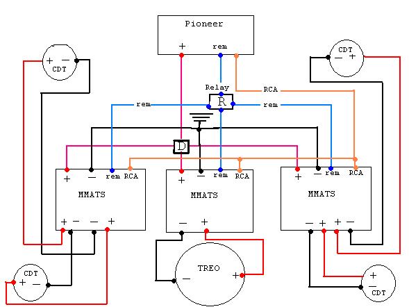
this may help you out.
D= ditribution block.
Notice the relay on the rem?
And pass thru RCAs or use "Y" connectors.

Upload
 

Gold Member
Username: Dustin3

Tigard, OR U.S.

Post Number: 4162
Registered: Oct-05
nicely done marc :-)
« Previous Thread Next Thread »



Main Forums

Today's Posts

Forum Help

Follow Us